Toona 4 : moteur 230v irréversible pour portails battants avec vantaux 3 m.
' '
|
101633008
BMG1596R02.45673
|
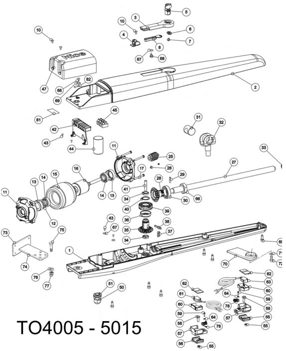
Carter inferieur TOONA4 (Pièce Num1)
|
53.30 € |  |
' '
|
101633009
BMG1597R03.45673
|
Carter Superieur TOONA4 (Pièce Num2)
|
58.10 € |  |
' '
|
101633001
SPGAP00700
|
Groupe poignée de deverouillage TOONA (Groupe de pièces 3, 4, 5, 6, 7, 8, 9, 10)
|
28.38 € |  |
' '
|
101633004
PRTO04
|
Groupe motoréducteur 230V TOONA (Groupe de pièces 11, 12, 13, 14, 15, 16, 17, 25, 26)
|
125.10 € |  |
' '
|
101633002
PRTO02
|
Grpe Vis sans fin TO4005/4024/4006 (Groupe de pièces 27, 28, 29, 30, 31, 32, 33)
|
69.89 € |  |
' '
|
101633005
PRTO06
|
Grpe noix de transmission TO400x/TO4024/5024/5024i et WG20 (Groupe de pièces 31, 32)
|
35.54 € |  |
|
101633003
SPAMG217B00A
|
Groupe réducteur TOONA 220V - PRTO03 (Groupe de pièces 34, 35, 36, 37, 38, 39, 40, 41)
|
35.66 € |  |
' '
|
101633010
PPD1651.4540
|
Support de connection TOONA (Pièce Num42)
|
6.75 € |  |
' '
|
101064029
V4.2X13A.5101
|
Vis V4.2X13 (Pièce Num43)
|
5.68 € |  |
|
101633011
32.010
|
Condensateur 7mf 250v/400 (Pièce Num44)
|
13.97 € |  |
|
101633012
PPD1598.4540
|
Couvercle plastique TOONA 4 (Pièce Num47)
|
14.94 € |  |
' '
|
101633007
GAP02300
|
Boîte d'accessoires de pose (Groupe de pièces 50, 51, 70, 71, 72, 73, 74, 75, 76, 77)
|
50.61 € |  |
|
101633006
PRMB06R01
|
Groupe Fin de course MOBY TOONA cable long (Groupe de pièces 56, 57, 58, 59, 60, 62, 78)
|
27.30 € |  |
' '
|
137013013
V6.3X19.5101
|
Vis autoforante 6.3X19 (2) (Pièce Num65)
|
1.29 € |  |
' '
|
101663014
PPD0390.4540
|
Arbre support de poussée pour WK / WU (Pièce Num79)
|
6.22 € |  |